Zum Hauptinhalt springen Zur Suche springen Zur Hauptnavigation springen
Technische Daten
Produktbilder
Dokumente

SVATLRGOI - Taktiler Drucktaster mit grüner Ringbeleuchtung

Edelstahl Drucktaster mit grünem Leuchtring, 1 Öffner, 1 Schließer und Flachsteckanschlüssen.
Baureihe
SHORTRON®
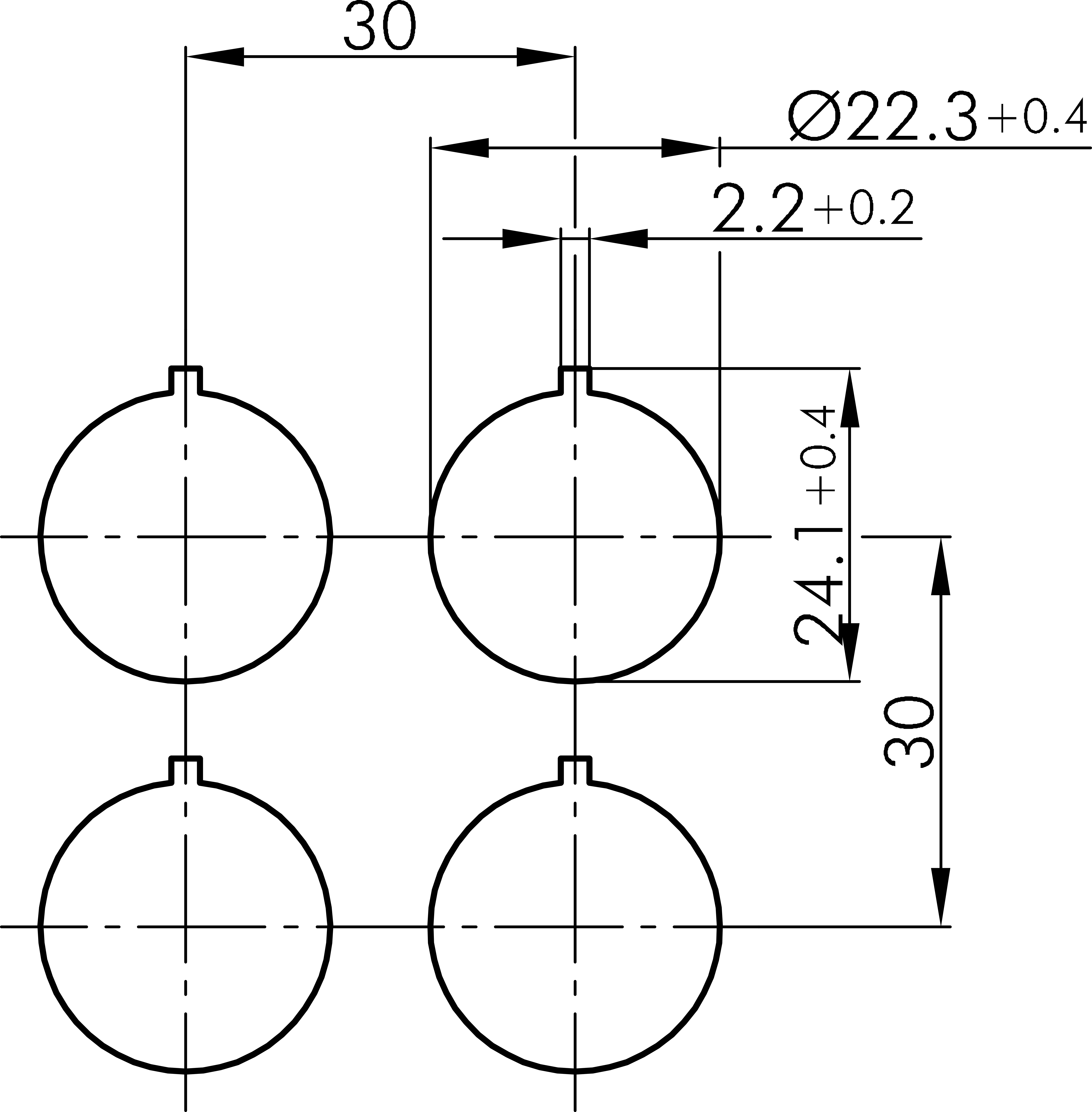
Einbauöffnung
Ø 22,3 mm
Kontaktart
1NC + 1NO
Schaltfunktion
Tastfunktion
Beleuchtung
Ja
Leuchtmittel
LED integriert
Farbe Frontrahmen
Edelstahl
Farbe Leuchtring
grün
Farbe Betätigungselement
Edelstahl
Bauform
rund
Schutzart Vorne
IP65
IP67
Betriebstemperatur
-25°C ... 70°C
Bemessungsbetriebsspannung IEC/EN 60947-5-1
120 V AC
240 V AC
24 V DC
60 V DC
125 V DC
250 V DC
Bemessungsbetriebsstrom IEC/EN 60947-5-1
3 A AC
1,5 A AC
2 A DC
1 A DC
0,55 A DC
0,27 A DC
Mechanische Lebensdauer
1.000.000 Schaltspiele
Elektrische Lebensdauer
max. 100.000 Schaltspiele DC13
1.000.000 Schaltspiele bei Nennlast
Approbationen
VDE, CCC, cURus, DNV, ENEC10, CE, UKCA
Technische Skizzen
Maßskizze SVATLRGOI
Bohrbild SVATLRGOI
Schaltbild SVATLRGOI
Schaltwegediagramm SVATLRGOI
Produktbild SVATLRGOI
Icon E-Mail Icon Telefon