Skip to main content Skip to search Skip to main navigation
Technical data
Product images
Downloads

RKL4 - Pilot light with Faston terminals 2.8x0.8 mm

Indicator light with 2.8 mm x 0.8 mm blade terminal and W2×4.6d lamp socket

Series
OKTRON®-R
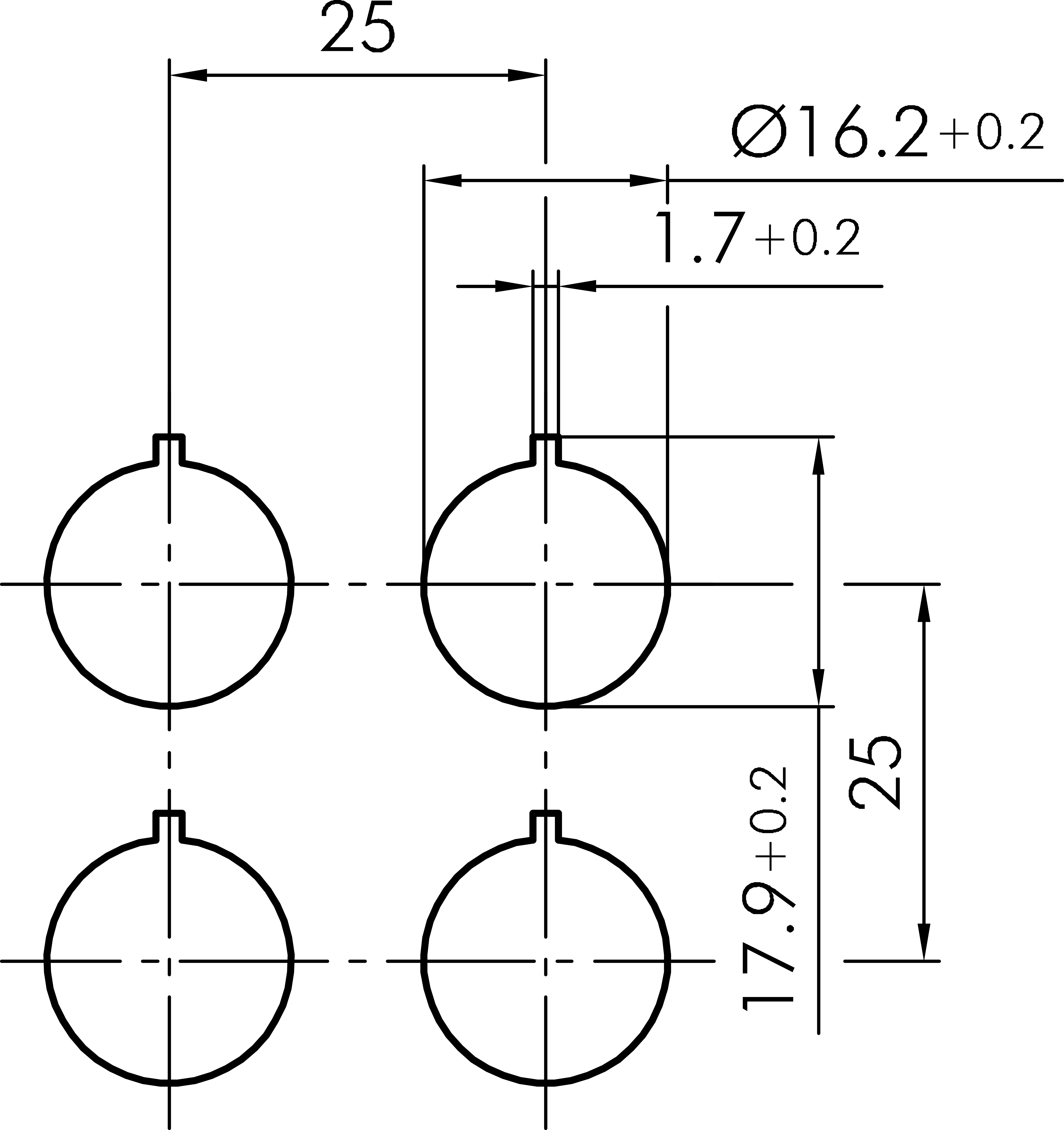
Mounting aperture
Ø 16.2 mm
Illumination
Yes
Illuminant
W2x4,6d Lamp socket
Front bezel colour
Charcoal
Shape
round
Degree of protection front
IP65
Technical sketches
Maßskizze RKL4
Bohrbild RKL4
Produktbild RKL4
Icon E-Mail Icon Telefon