Skip to main content Skip to search Skip to main navigation
Technical data
Product images
Documents

SNSG+SG-24V - Buzzer

Acoustic signal transmitter with continuous tone at a frequency of 4.1 Hz and a volume of 83 dB

Series
SHORTRON®
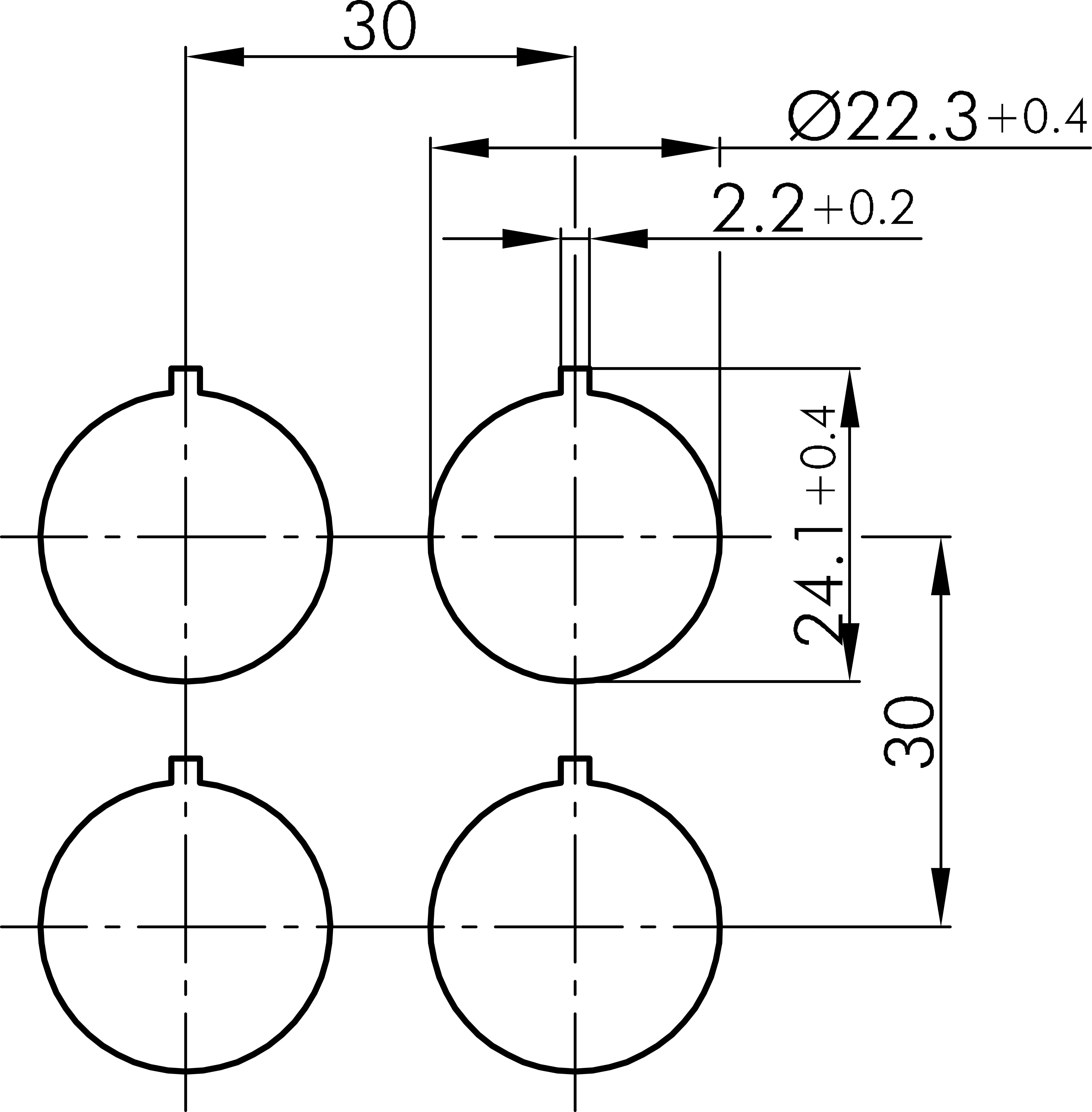
Mounting aperture
Ø 22.3 mm
Front bezel colour
Silver-coloured
Shape
round
Degree of protection front
IP65
Operating temperature
-20°C ... 70°C
Approvals
CCC, CE
Technical sketches
Maßskizze SNSG+SG-24V
Bohrbild SNSG+SG-24V
Schaltbild SNSG+SG-24V
Produktbild SNSG+SG-24V
Icon E-Mail Icon Telefon