Skip to main content Skip to search Skip to main navigation
Technical data
Product images
Documents

YTGS - Pushbutton, non-transparent lens

Small, tactile pushbutton with covered actuating element, very short actuating travel and clearly perceptible, defined pressure point. Labeling is also possible on request.

Series
MYnitron®
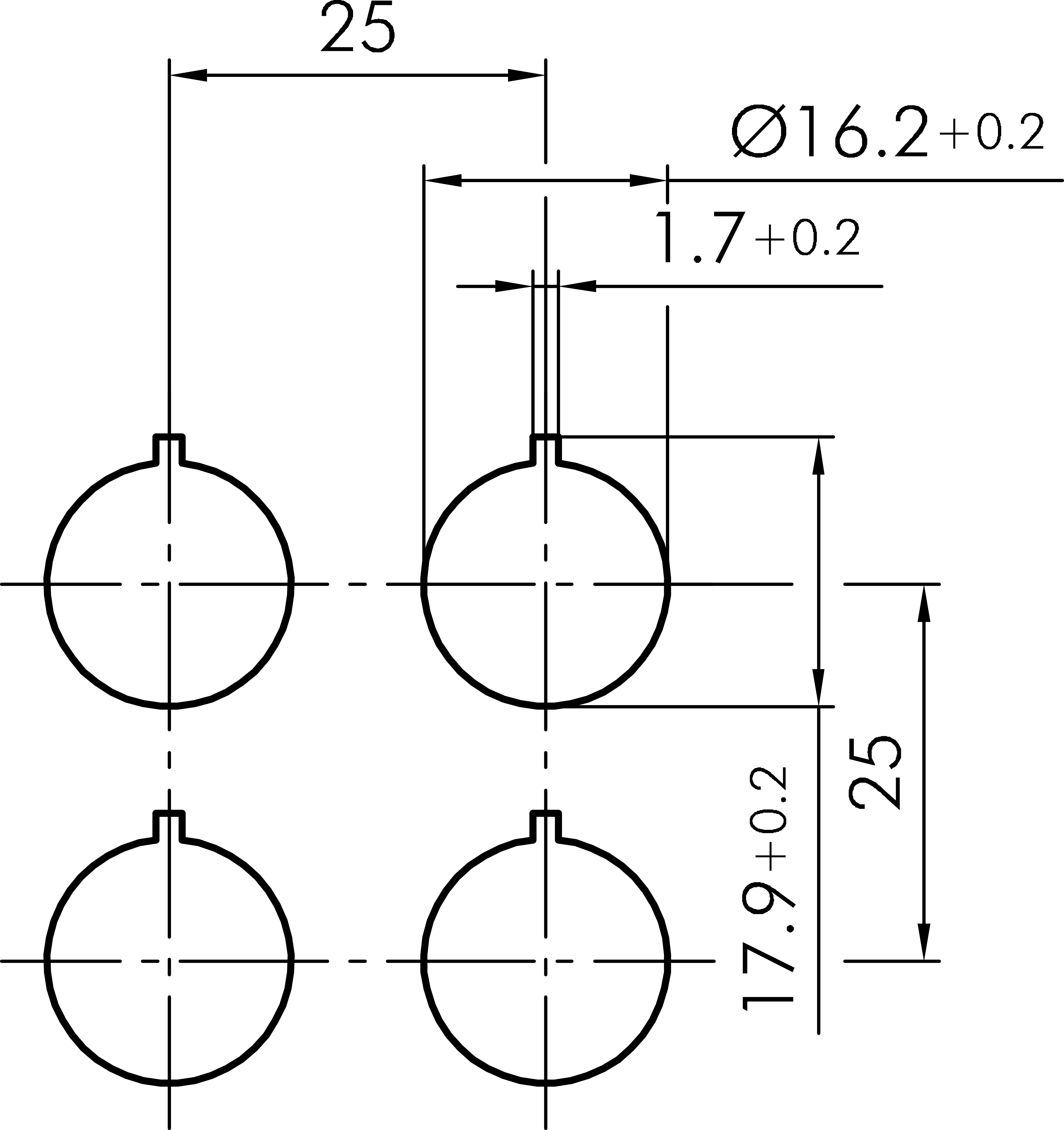
Mounting aperture
Ø 16.2 mm
Contact type
1NO
Switching function
Momentary function
Front bezel colour
black
Colour actuator
black
Shape
round
Degree of protection front
IP67
IP65
Operating temperature
-25°C ... 70°C
Rated operating voltage
35 V AC
35 V DC
Rated operating current
0.1 A AC
0.1 A DC
Mechanical life
500,000 switching cycles
Electrical life
500,000 switching cycles at rated voltage
Approvals
cURus , CE, UKCA
Technical sketches
Maßskizze YTGS
Bohrbild YTGS
Schaltbild YTGS
Produktbild YTGS
Icon E-Mail Icon Telefon