Zum Hauptinhalt springen Zur Suche springen Zur Hauptnavigation springen
Technische Daten
Produktbilder
Dokumente

OKSTALM_GN - Leucht-Wahltaste tastend

Baureihe
OKTRON®
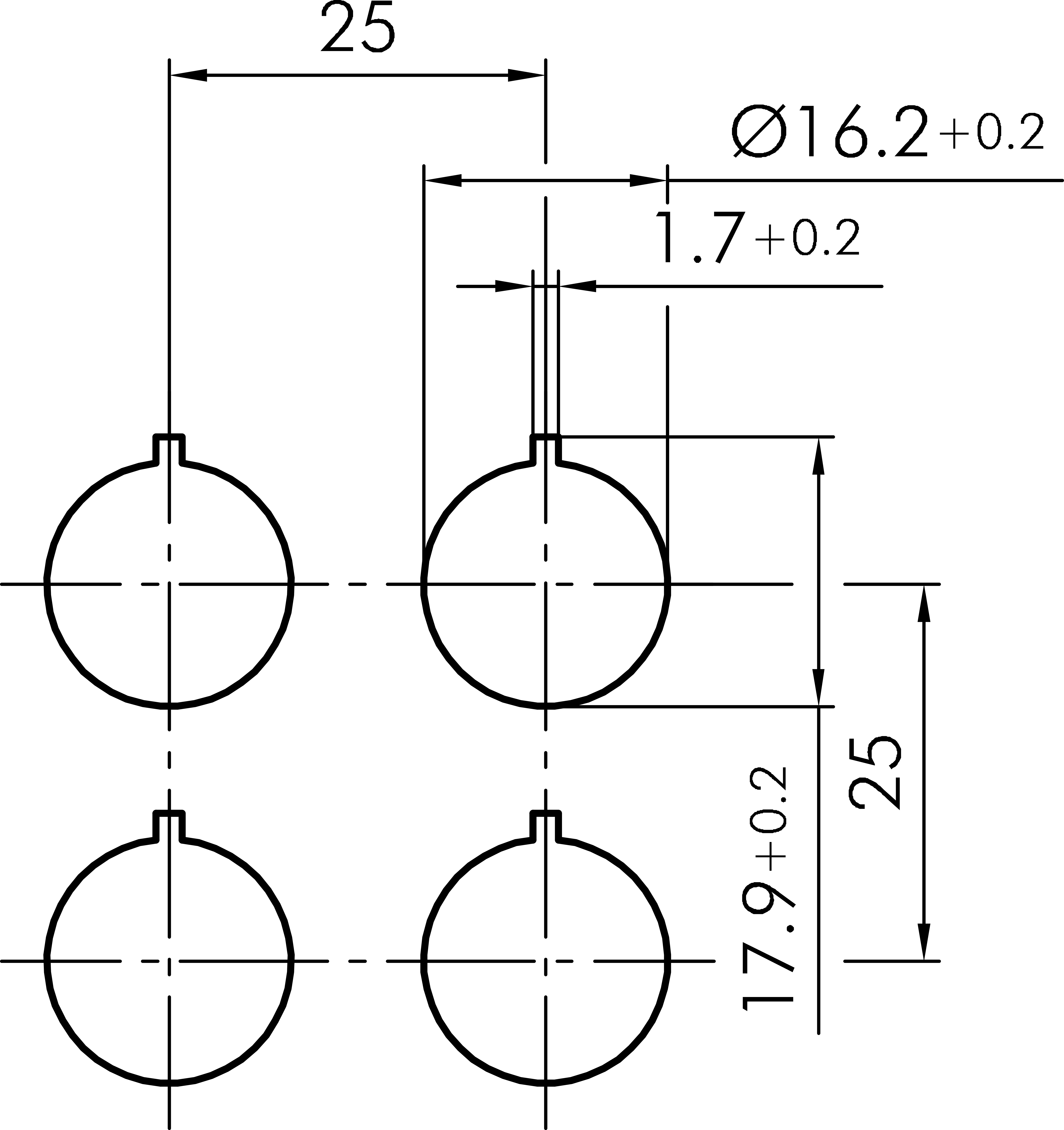
Einbauöffnung
Ø 16,2 mm
Schaltfunktion
Tastfunktion
Schaltstellung
0° Nullstellung
40° tastend
Beleuchtung
Ja
Farbe Frontrahmen
silberfarben
Farbe Betätigungselement
grün
Bauform
quadratisch
Schutzart Vorne
IP65
Schutzklasse
II (Schutzisolierung)
Technische Skizzen
Maßskizze OKSTALM_GN
Bohrbild OKSTALM_GN
Schaltstellungsanzeige OKSTALM_GN
Produktbild OKSTALM_GN
Dokumente
Icon E-Mail Icon Telefon