Zum Hauptinhalt springen Zur Suche springen Zur Hauptnavigation springen
Technische Daten
Produktbilder
Dokumente

SSSA12II - Schlüsseltaster rastend

Baureihe
SHORTRON®
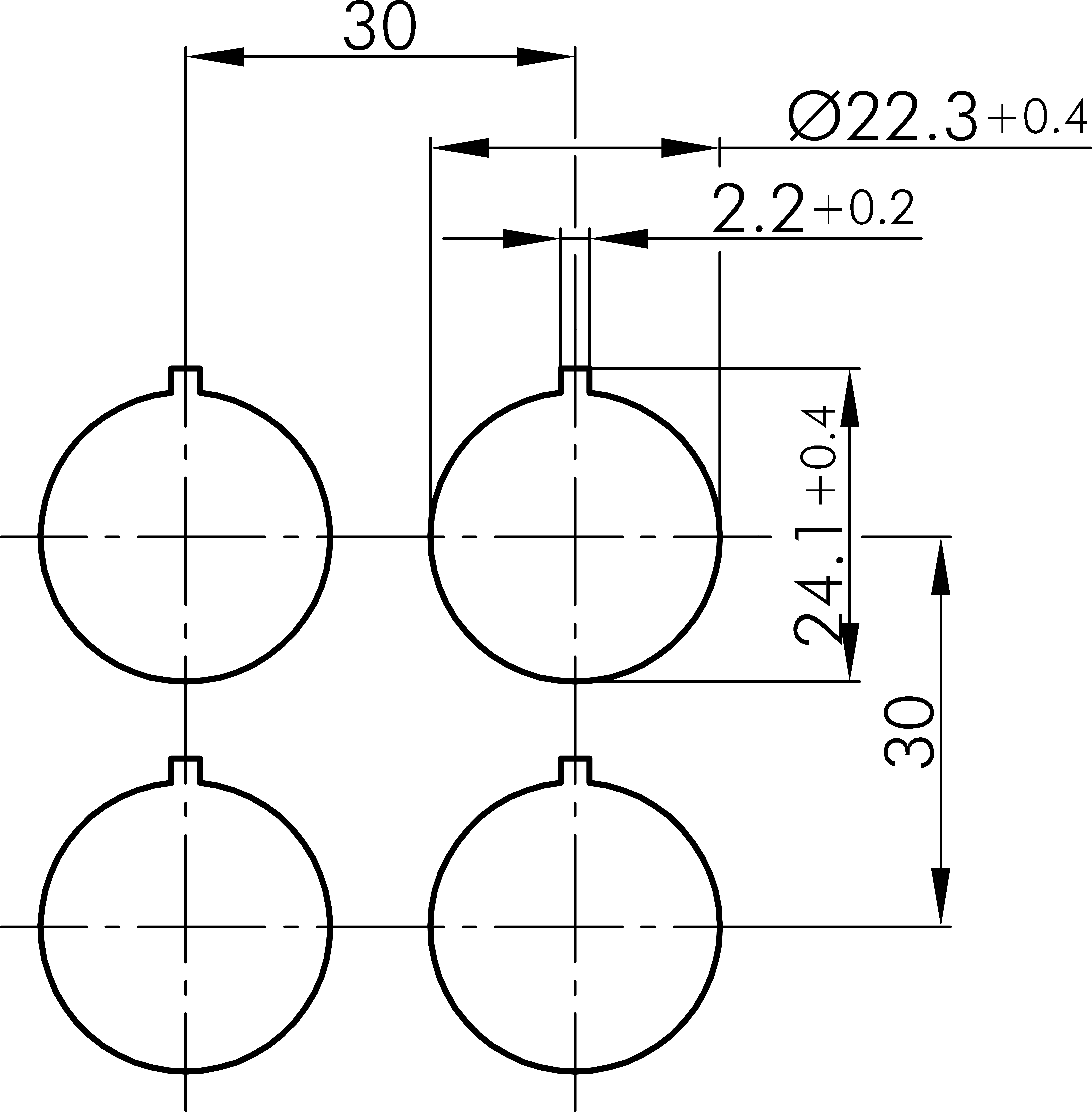
Einbauöffnung
Ø 22,3 mm
Kontaktart
2NO
Schaltfunktion
Rastfunktion
Schaltstellung
-90° rastend, Schlüsselabzug
0° Schlüsselabzug
90° rastend, Schlüsselabzug
Anschluss
Flachstecker
Beleuchtung
Nein
Farbe Frontrahmen
silberfarben
Bauform
rund
Schutzart Vorne
IP65
Betriebstemperatur
-25°C ... 70°C
Bemessungsbetriebsspannung IEC/EN 60947-5-1
120 V AC
240 V AC
24 V DC
60 V DC
125 V DC
250 V DC
Bemessungsbetriebsstrom IEC/EN 60947-5-1
3 A AC
1,5 A AC
2 A DC
1 A DC
0,55 A DC
0,27 A DC
Mechanische Lebensdauer
30.000 Schaltspiele
Elektrische Lebensdauer
30.000 Schaltspiele bei Nennlast
Approbationen
VDE, CCC, cURus, DNV, ENEC10, CE, UKCA
Technische Skizzen
Maßskizze SSSA12II
Bohrbild SSSA12II
Schaltbild SSSA12II
Schaltstellungsanzeige SSSA12II
Schaltwegediagramm SSSA12II
Produktbild SSSA12II
Dokumente
Icon E-Mail Icon Telefon