Skip to main content Skip to search Skip to main navigation
Technical data
Product images
Downloads

JRMSTA - Selector head, momentary

Series
RONDEX-JUWEL®
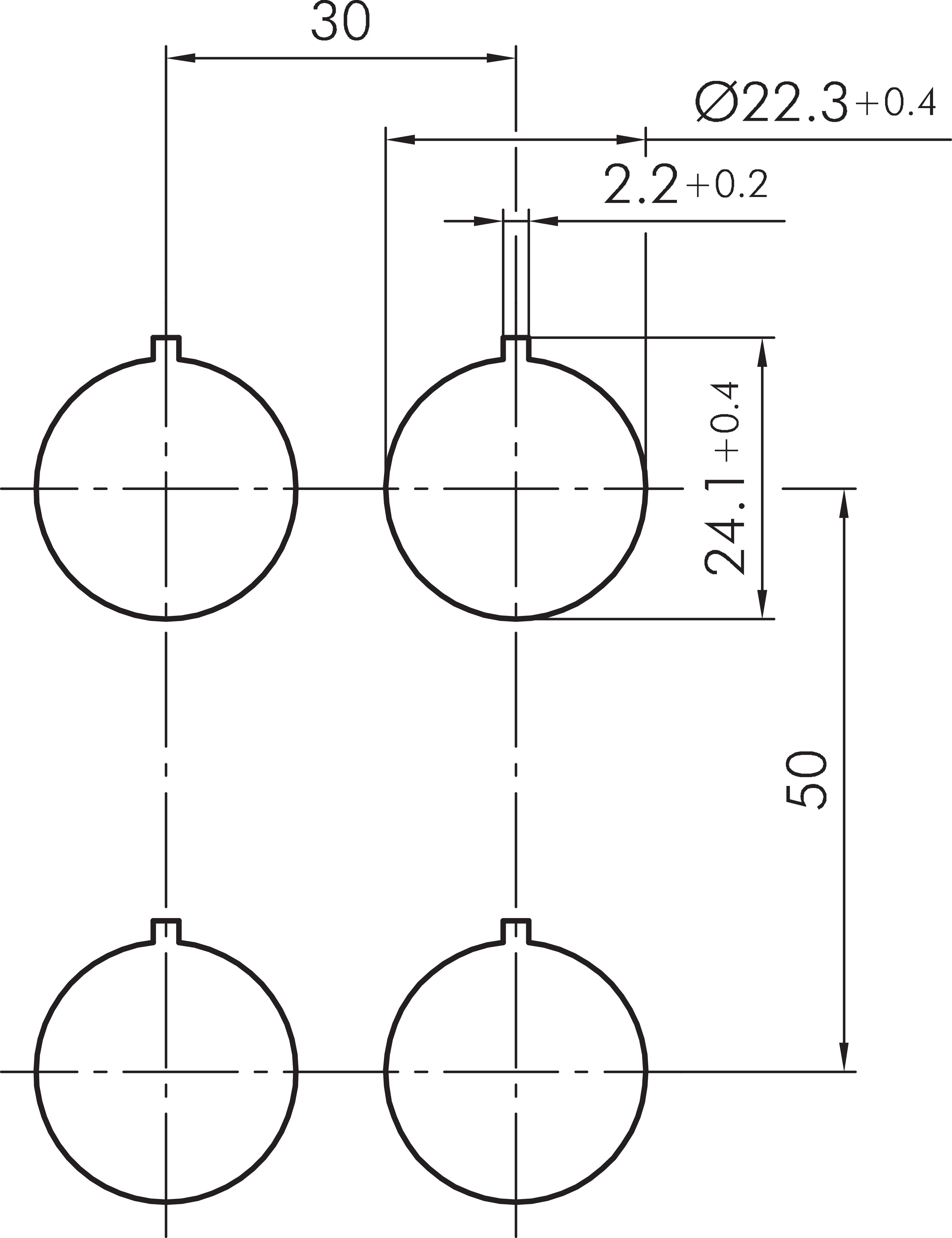
Mounting aperture
Ø 22.3 mm
Switching function
Momentary function
Switching position
-45° zero position
45° momentary
Illumination
No
Front bezel colour
Silver-coloured
Shape
round
Degree of protection front
IP65
Protection class
II (protective insulation)
Technical sketches

Datasheets

Icon E-Mail Icon Telefon