Skip to main content Skip to search Skip to main navigation
Technical data
Product images

RKSTA - Selector head, momentary

Series
OKTRON®-R
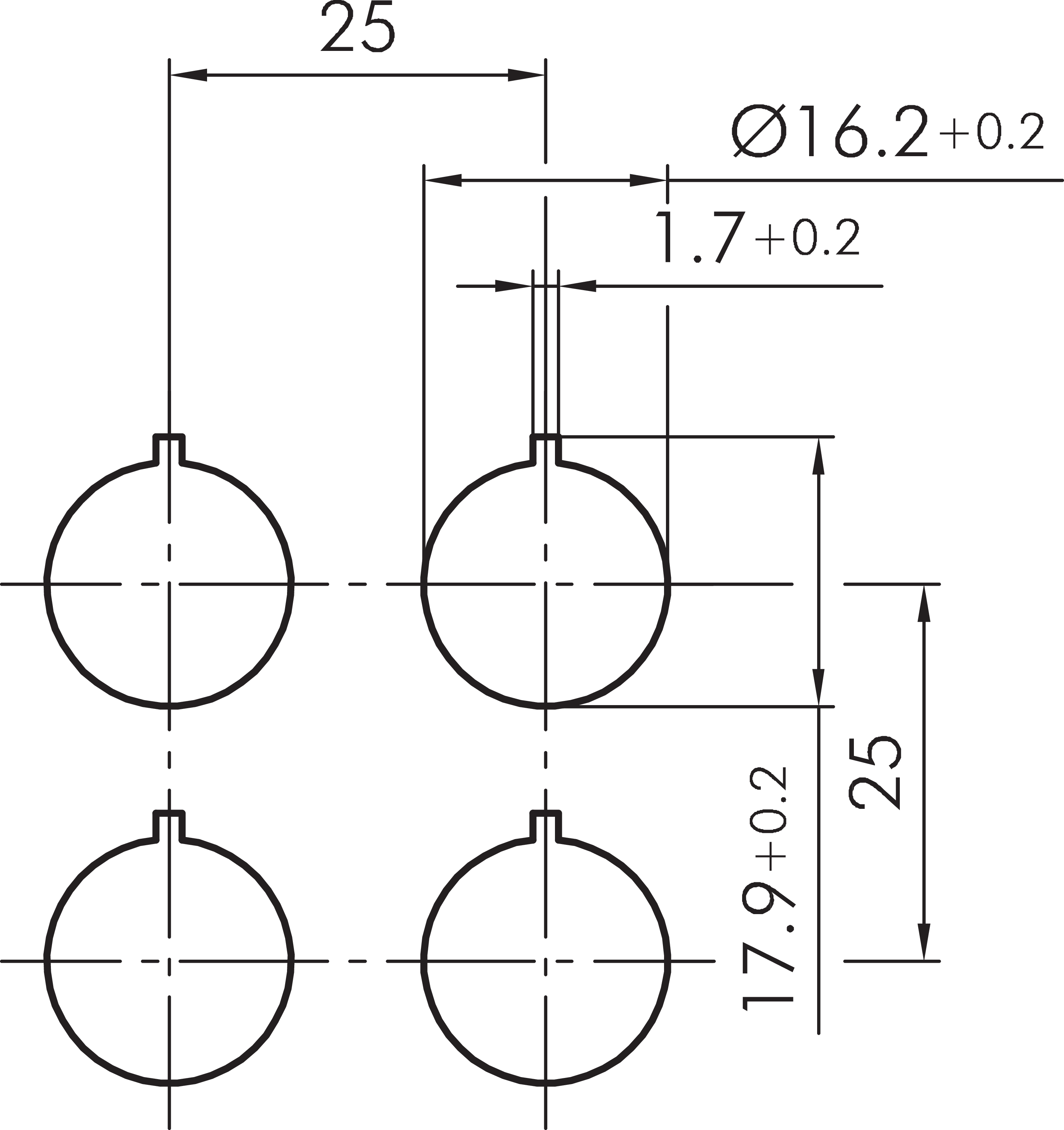
Mounting aperture
Ø 16.2 mm
Switching position
0° zero position
40° momentary
Illumination
No
Front bezel colour
Charcoal
Shape
round
Degree of protection front
IP65
Protection class
II (protective insulation)
Technical sketches
Downloads
Icon E-Mail Icon Telefon