Skip to main content Skip to search Skip to main navigation
Technical data
Product images

RMCSSA18E

Key actuator, maintained

Series
RONDEX-M
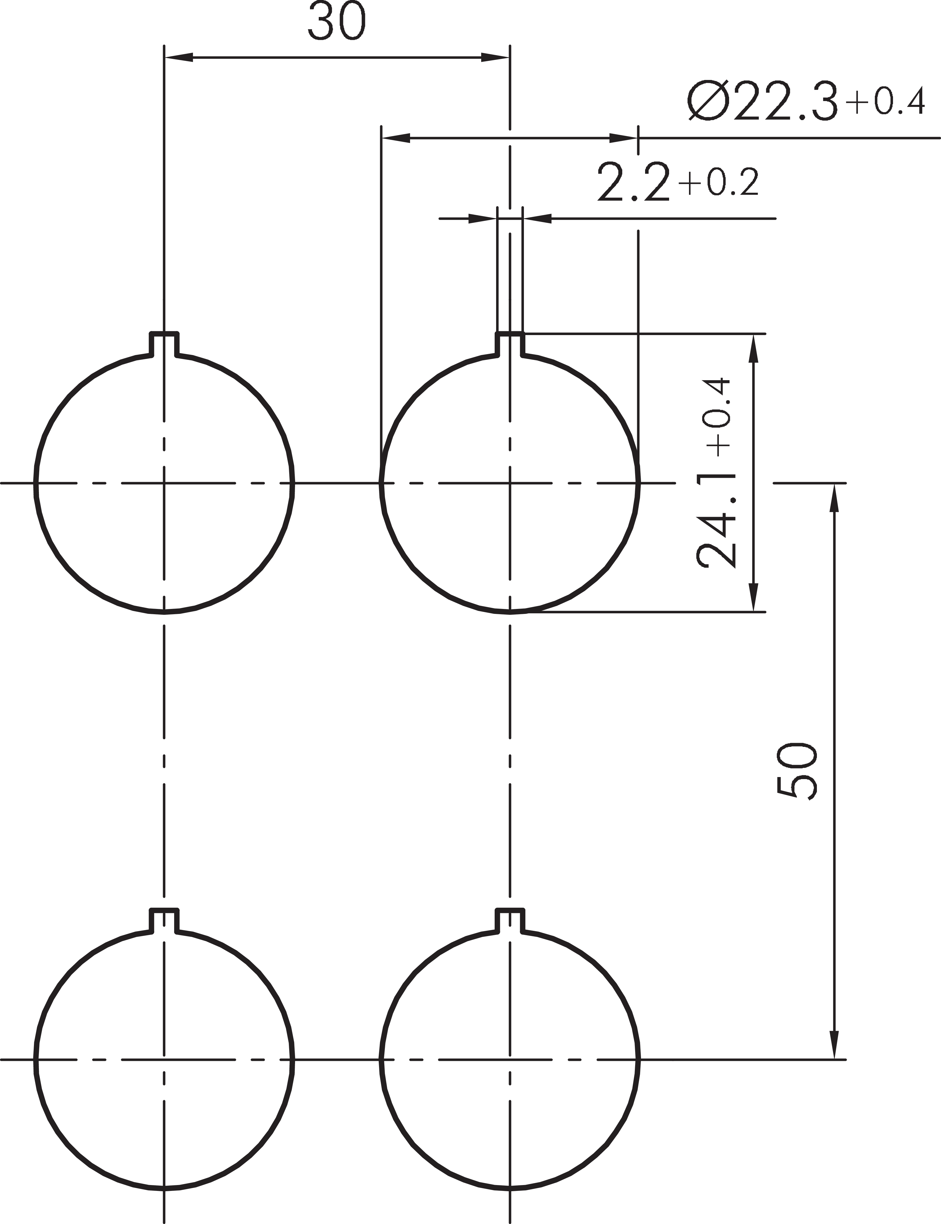
Mounting aperture
Ø 22.3 mm
Switching function
Latching function
Switching position
-45° key removable
45° maintained, key removable
Illumination
No
Front bezel colour
metallic/charcoal
Shape
round
Degree of protection front
IP65
Protection class
II (protective insulation)
Technical sketches
Downloads
Icon E-Mail Icon Telefon