Skip to main content Skip to search Skip to main navigation
Technical data
Product images
Dokumente

SSSA16 - Key switch latching

Key switch with two switching positions and latching switching function. Switch position 1 is at 0° zero position and switch position 2 at 90°. The key can be removed to switch position 2.

Includes 2 keys. Different keying possible on request.

Series
SHORTRON® base-plate mounting
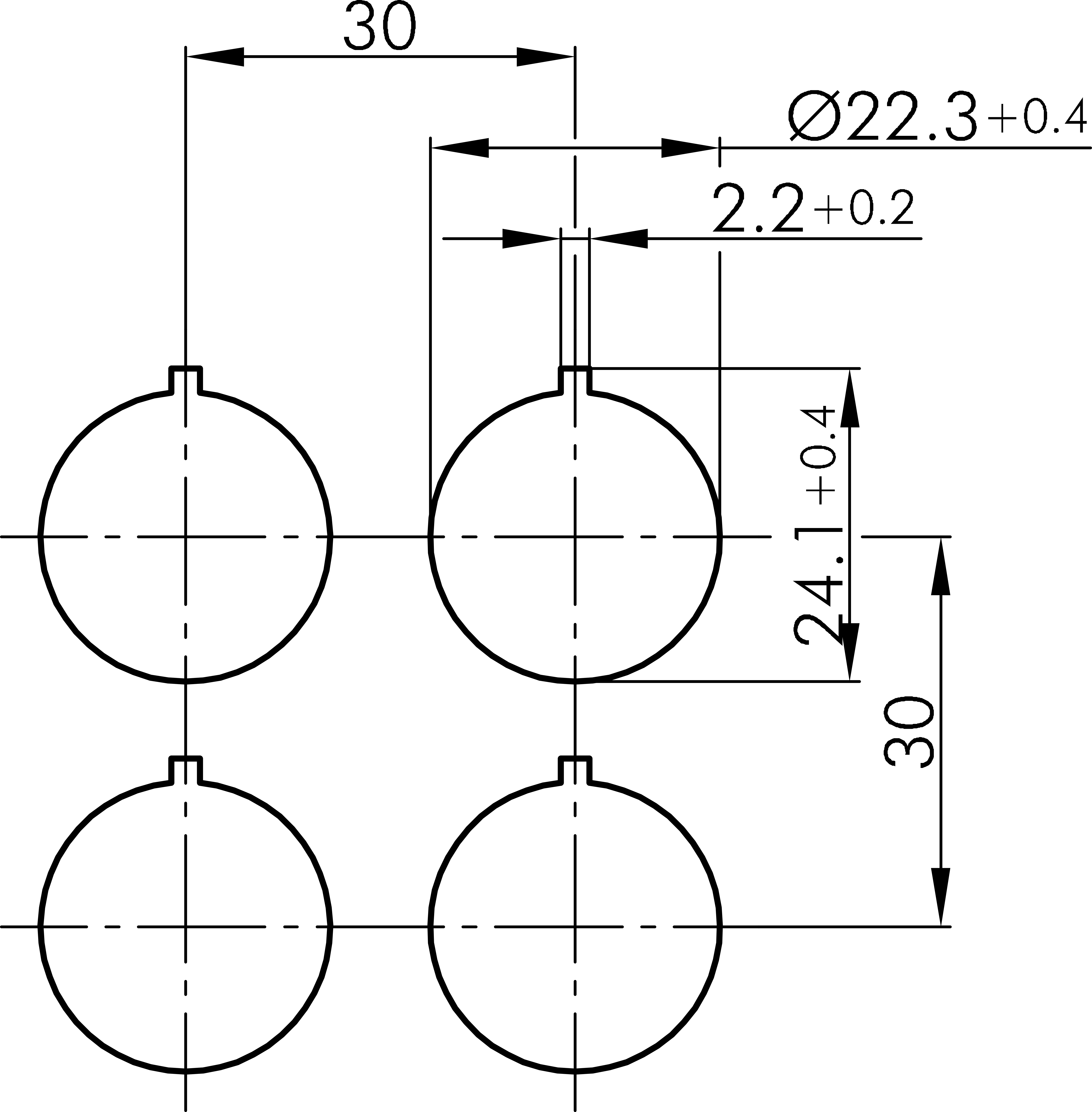
Mounting aperture
Ø 22.3 mm
Switching function
Latching function
Switching position
0° zero position
90° maintained, key removable
Front bezel colour
Silver-coloured
Shape
round
Degree of protection front
IP65
Operating temperature
-25°C ... 70°C
Mechanical life
30,000 switching cycles
Approvals
DNV, VDE , CCC, cURus , ENEC10 , CE, UKCA
Technical sketches
Maßskizze SSSA16
Bohrbild SSSA16
Schaltstellungsanzeige SSSA16
Produktbild SSSA16
Dokumente
Icon E-Mail Icon Telefon