Skip to main content Skip to search Skip to main navigation
Technical data
Product images

SWB

Illuminated selector head, maintained

Series
SHORTRON® base-plate mounting
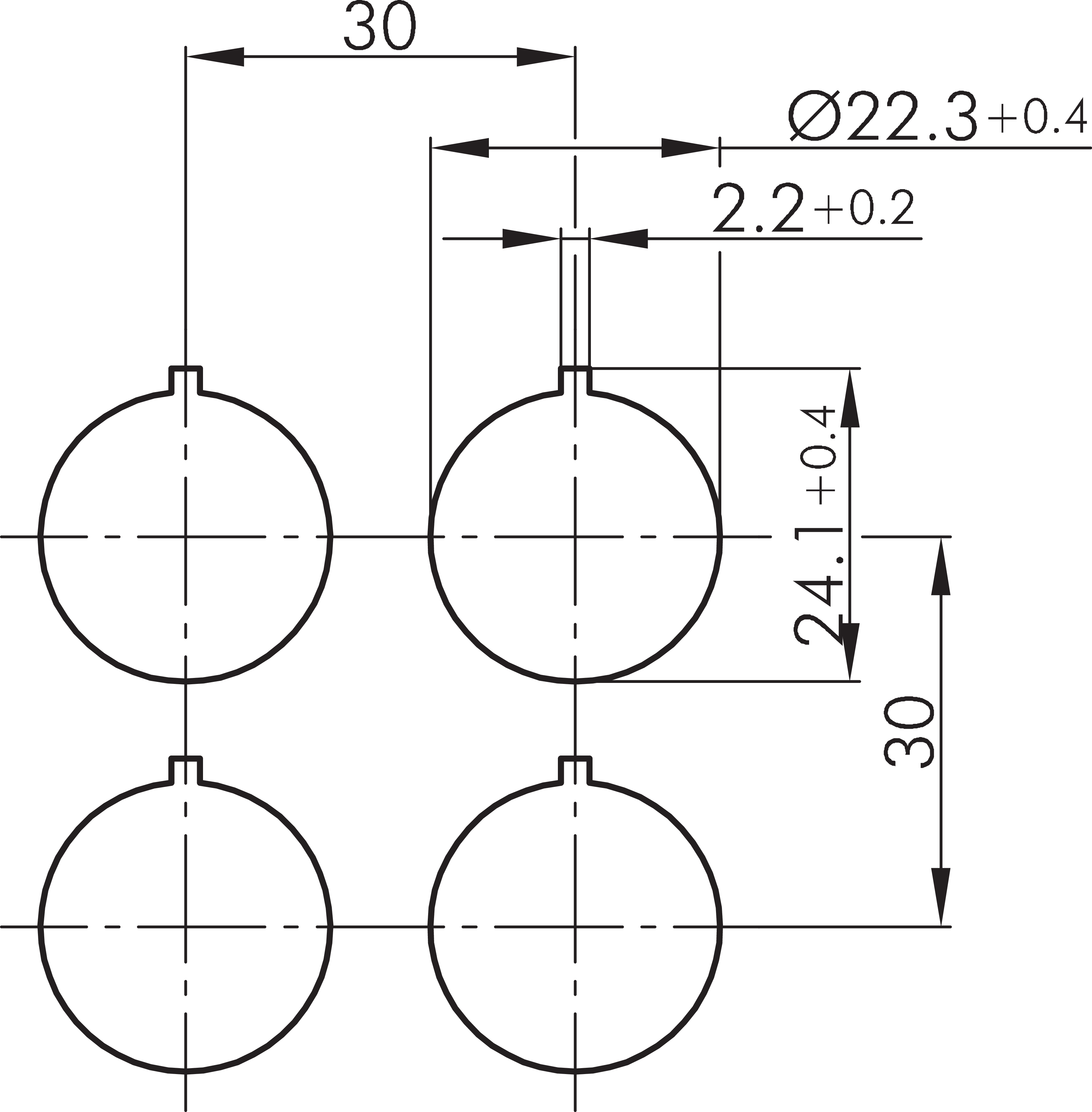
Mounting aperture
Ø 22.3 mm
Switching function
Latching function
Switching position
-60° maintained
0° zero position
60° maintained
Illumination
Yes
Front bezel colour
Silver-coloured
Shape
round
Degree of protection front
IP65
Protection class
II (protective insulation)
Technical sketches
Downloads
Icon E-Mail Icon Telefon