Zum Hauptinhalt springen Zur Suche springen Zur Hauptnavigation springen
Technische Daten
Produktbilder
Dokumente

KRJR - Potentiometer-Antrieb

Drehregler mit Leergehäuse zur Bestückung mit einem Potentiometer
Baureihe
KOMBITAST®-R-JUWEL
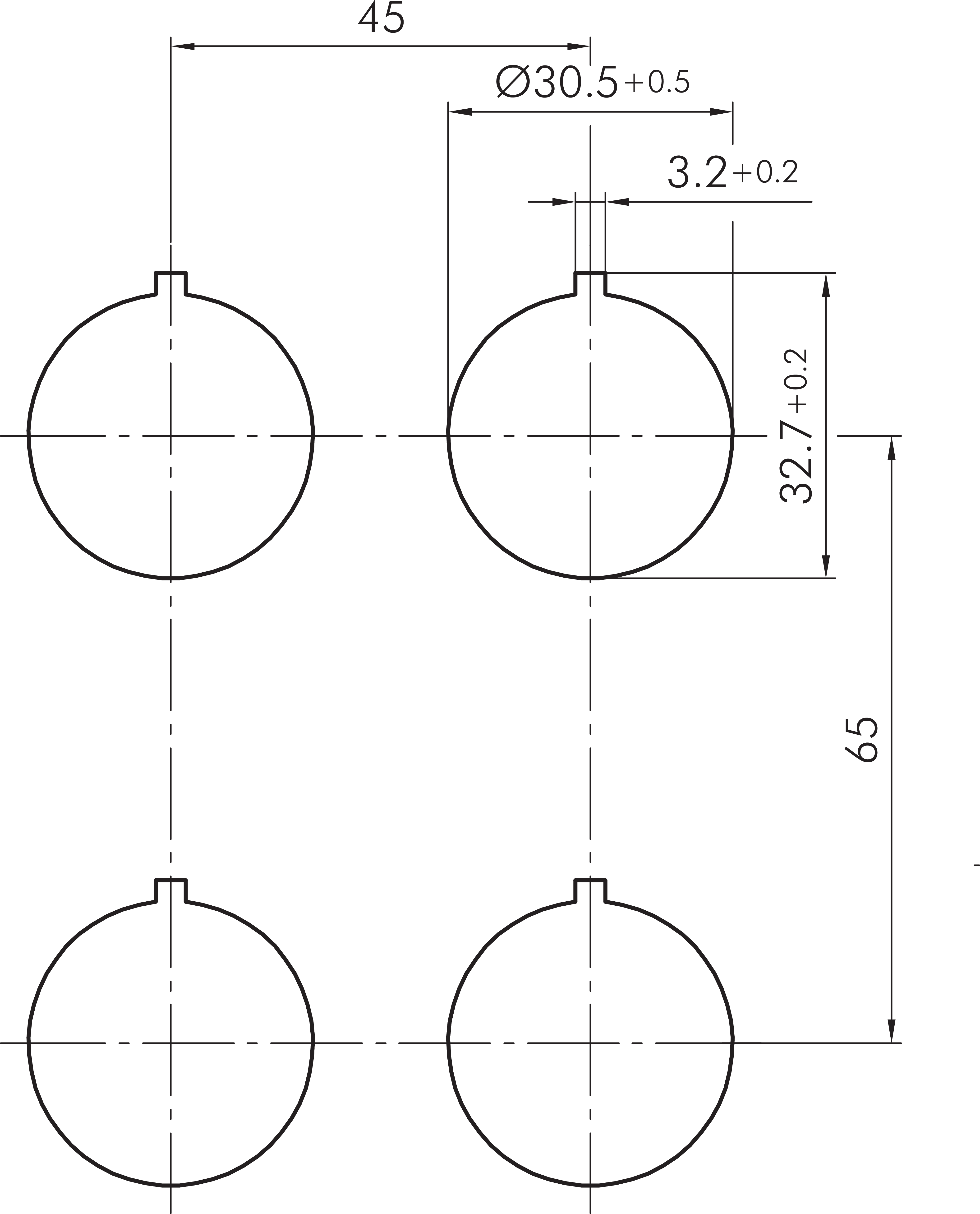
Einbauöffnung
Ø 30,5mm
Beleuchtung
Nein
Farbe Frontrahmen
anthrazit
Bauform
rund
Schutzart Vorne
IP65
Schutzklasse
II (Schutzisolierung)
Technische Skizzen
Dokumente
Icon E-Mail Icon Telefon