Zum Hauptinhalt springen Zur Suche springen Zur Hauptnavigation springen
Technische Daten
Produktbilder
Dokumente

KRJSSA14E - Schlüsseltaste rastend

Baureihe
KOMBITAST®-R-JUWEL
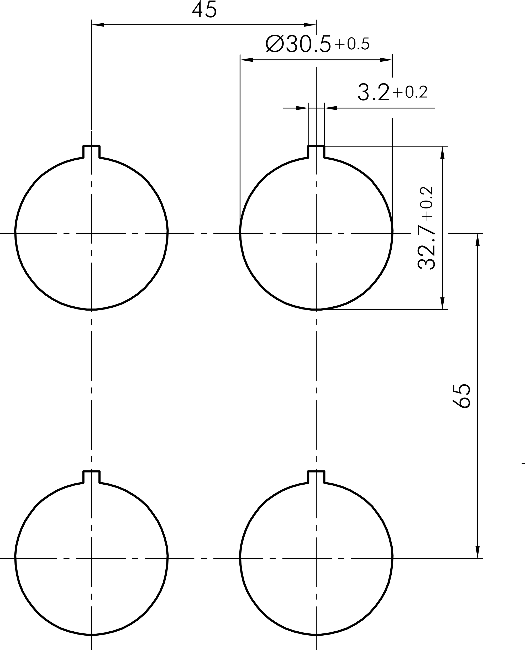
Einbauöffnung
Ø 30,5 mm
Schaltfunktion
Rastfunktion
Schaltstellung
0° Schlüsselabzug
90° rastend
Beleuchtung
Nein
Farbe Frontrahmen
anthrazit
Bauform
rund
Schutzart Vorne
IP65
Mechanische Lebensdauer
50.000 Schaltspiele
Schutzklasse
II (Schutzisolierung)
Technische Skizzen
Maßskizze KRJSSA14E
Bohrbild KRJSSA14E
Schaltstellungsanzeige KRJSSA14E
Produktbild KRJSSA14E
Dokumente
Icon E-Mail Icon Telefon