Zum Hauptinhalt springen Zur Suche springen Zur Hauptnavigation springen
Technische Daten
Produktbilder

OKSTAL_KL - Leucht-Wahltaste tastend

Baureihe
OKTRON®
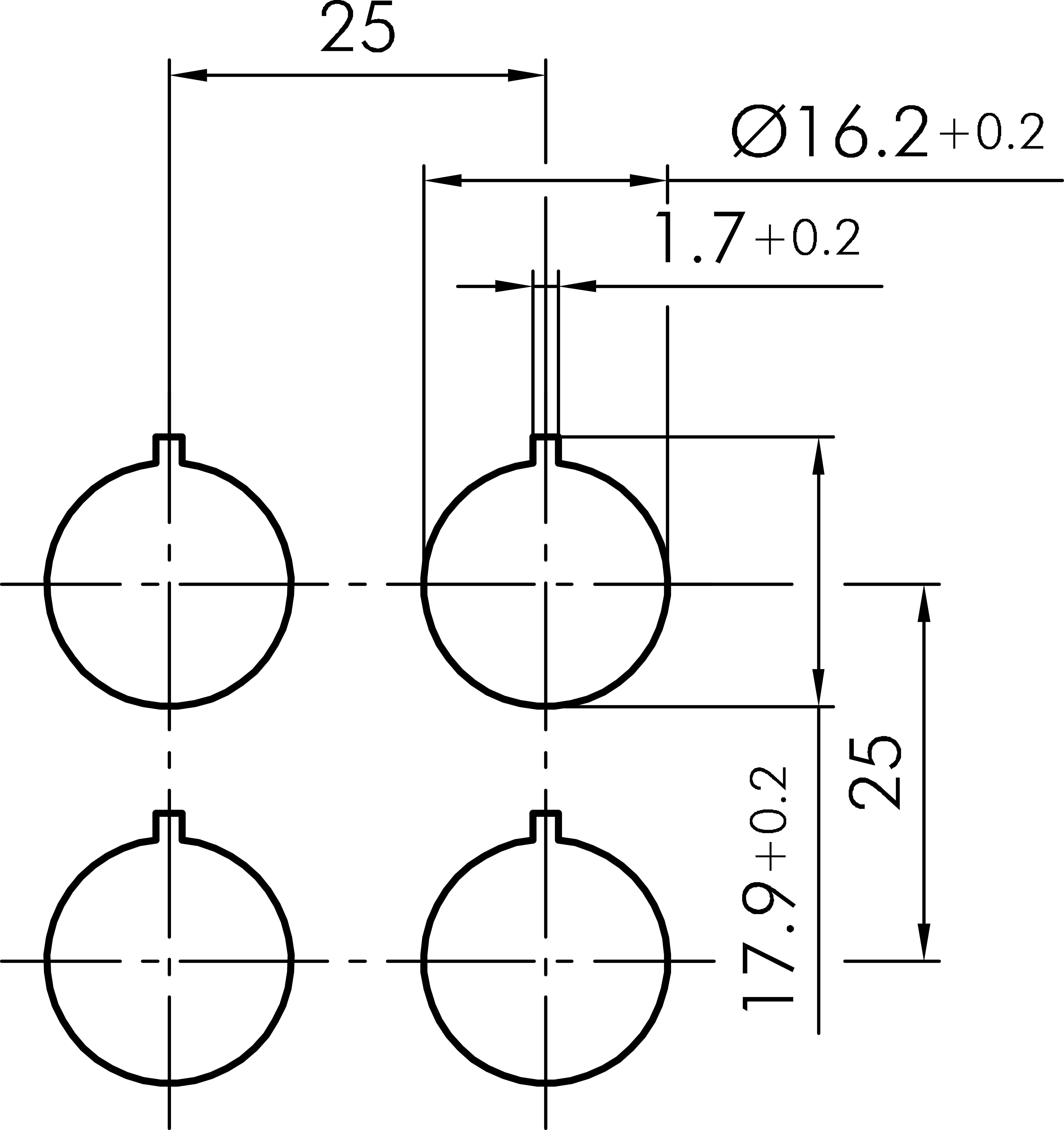
Einbauöffnung
Ø 16,2mm
Schaltfunktion
Tastfunktion
Schaltstellung
0° Nullstellung
40° tastend
Beleuchtung
Ja
Farbe Frontrahmen
anthrazit
Farbe Betätigungselement
klar
Bauform
quadratisch
Schutzart Vorne
IP65
Schutzklasse
II (Schutzisolierung)
Technische Skizzen
Massskizze OKSTAL_KL
Bohrbild OKSTAL_KL
Produktbild OKSTAL_KL
Downloads
Icon E-Mail Icon Telefon