Zum Hauptinhalt springen Zur Suche springen Zur Hauptnavigation springen
Technische Daten
Produktbilder

RKWAL_KL - Leucht-Wahltaste rastend

Baureihe
OKTRON®-R
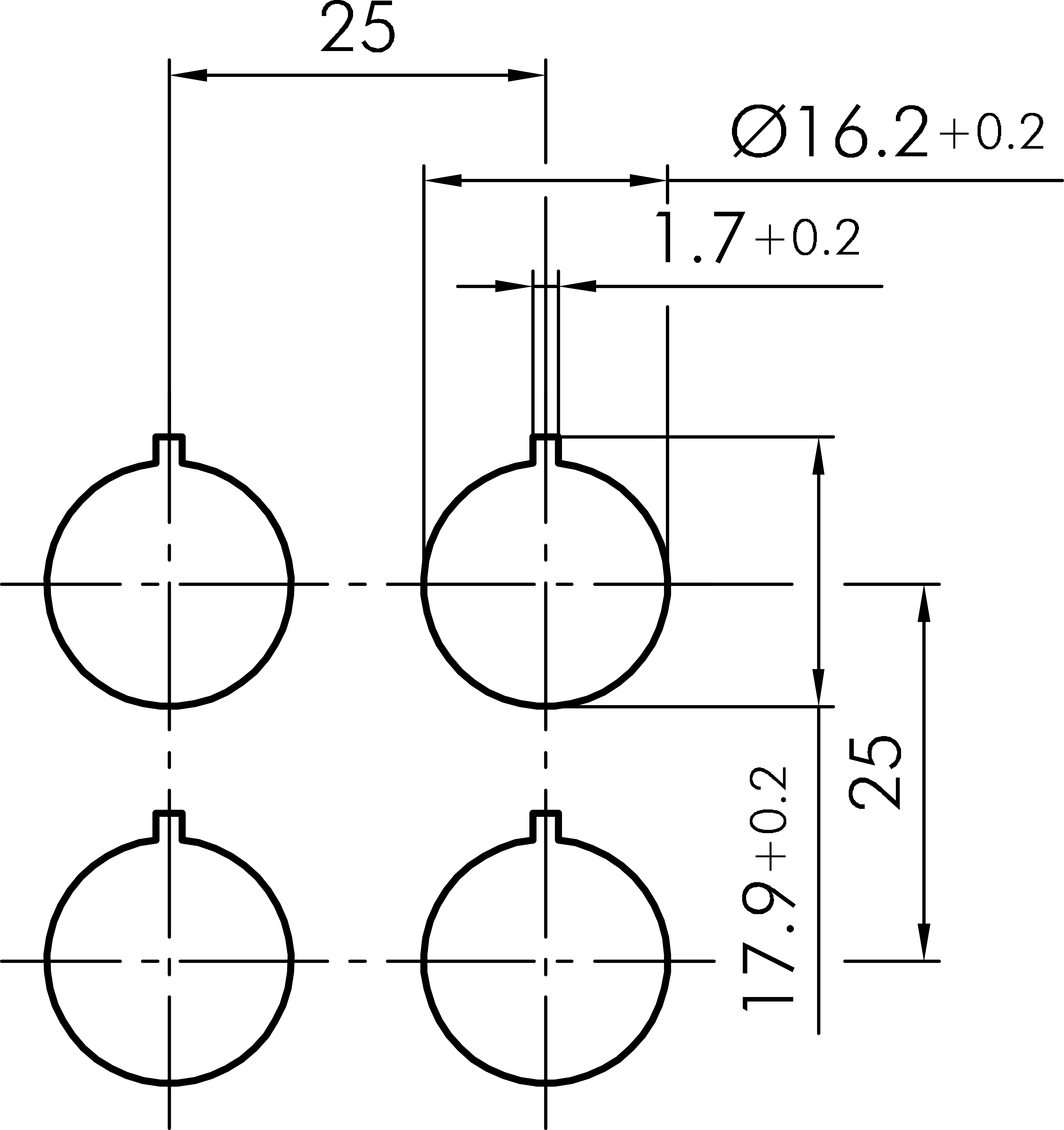
Einbauöffnung
Ø 16,2mm
Schaltstellung
-45° Nullstellung
45° rastend
Beleuchtung
Ja
Farbe Frontrahmen
anthrazit
Farbe Betätigungselement
klar
Bauform
rund
Schutzart Vorne
IP65
Schutzklasse
II (Schutzisolierung)
Technische Skizzen
Dokumente
Icon E-Mail Icon Telefon