STOI_M01 - Drucktaster
                                            Baureihe
                                        
                                        
                                                                                                                                                                                                                                                                                                SHORTRON®-M12
                                                                                    
                                    
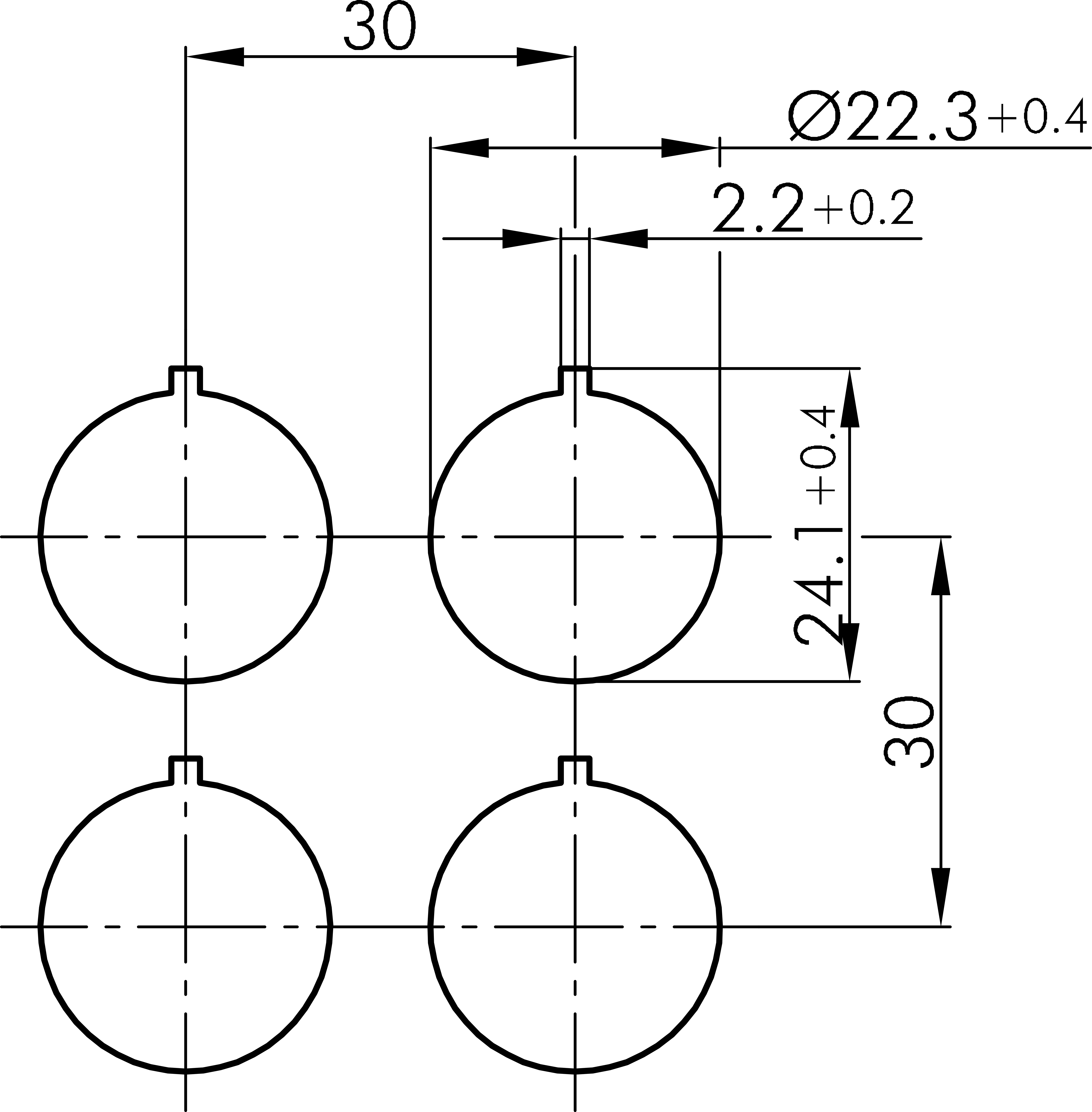
                                            Einbauöffnung
                                        
                                        
                                                                                                                                                                                                                                                                                                Ø 22,3 mm
                                                                                    
                                    
                                            Kontaktart
                                        
                                        
                                                                                                                                                                                                                                                                                                1NC + 1NO
                                                                                    
                                    
                                            Anschluss
                                        
                                        
                                                                                                                                                                                                                                                                                                M12
                                                                                    
                                    
                                            Beleuchtung
                                        
                                        
                                                                                                                                                                                                                                                                                                Nein
                                                                                    
                                    
                                            Farbe Frontrahmen
                                        
                                        
                                                                                                                                                                                                                                                                                                silberfarben
                                                                                    
                                    
                                            Bauform
                                        
                                        
                                                                                                                                                                                                                                                                                                rund
                                                                                    
                                    
                                            Schutzart Vorne
                                        
                                        
                                                                                                                                                                                                                                                                                                                                                                                                    IP65
IP67
                                    IP67
                                            Betriebstemperatur
                                        
                                        
                                                                                                                                                                                                                                                                                                -25°C ... 70°C
                                                                                    
                                    
                                            Bemessungsbetriebsspannung IEC/EN 60947-5-1
                                        
                                        
                                                                                                                                                                                                                                                                                                                                                                                                                                                                                                                                                                                                            120 V AC
240 V AC
125 V DC
250 V DC
                                    240 V AC
125 V DC
250 V DC
                                            Bemessungsbetriebsstrom IEC/EN 60947-5-1
                                        
                                        
                                                                                                                                                                                                                                                                                                                                                                                                                                                                                                                                                                                                            3 A AC
1,5 A AC
0,55 A DC
0,27 A DC
                                    1,5 A AC
0,55 A DC
0,27 A DC
                                            Mechanische Lebensdauer
                                        
                                        
                                                                                                                                                                                                                                                                                                1.000.000 Schaltspiele
                                                                                    
                                    
                                            Elektrische Lebensdauer
                                        
                                        
                                                                                                                                                                                                                                                                                                                                                                                                    1.000.000 Schaltspiele
max. 100.000 Schaltspiele DC13
                                    max. 100.000 Schaltspiele DC13
                                            Approbationen
                                        
                                        
                                                                                                                                                                                                                                                                                                                                                                                                                                                                                                                                                                                                                                                                                                                VDE, cURus, ENEC10, CE, UKCA
                                                                                    
                                    
                    Technische Skizzen
                
                                        
                                    
                                    
            Downloads
        
    
            
                         
                                 
                                 
                                 
                                 
                                 
                                     
                                     
                                     
                                     
                                    