Zum Hauptinhalt springen Zur Suche springen Zur Hauptnavigation springen
Technische Daten
Produktbilder
Dokumente

SVAWCII - Wahltaster links rastend, rechts tastend

Baureihe
SHORTRON®
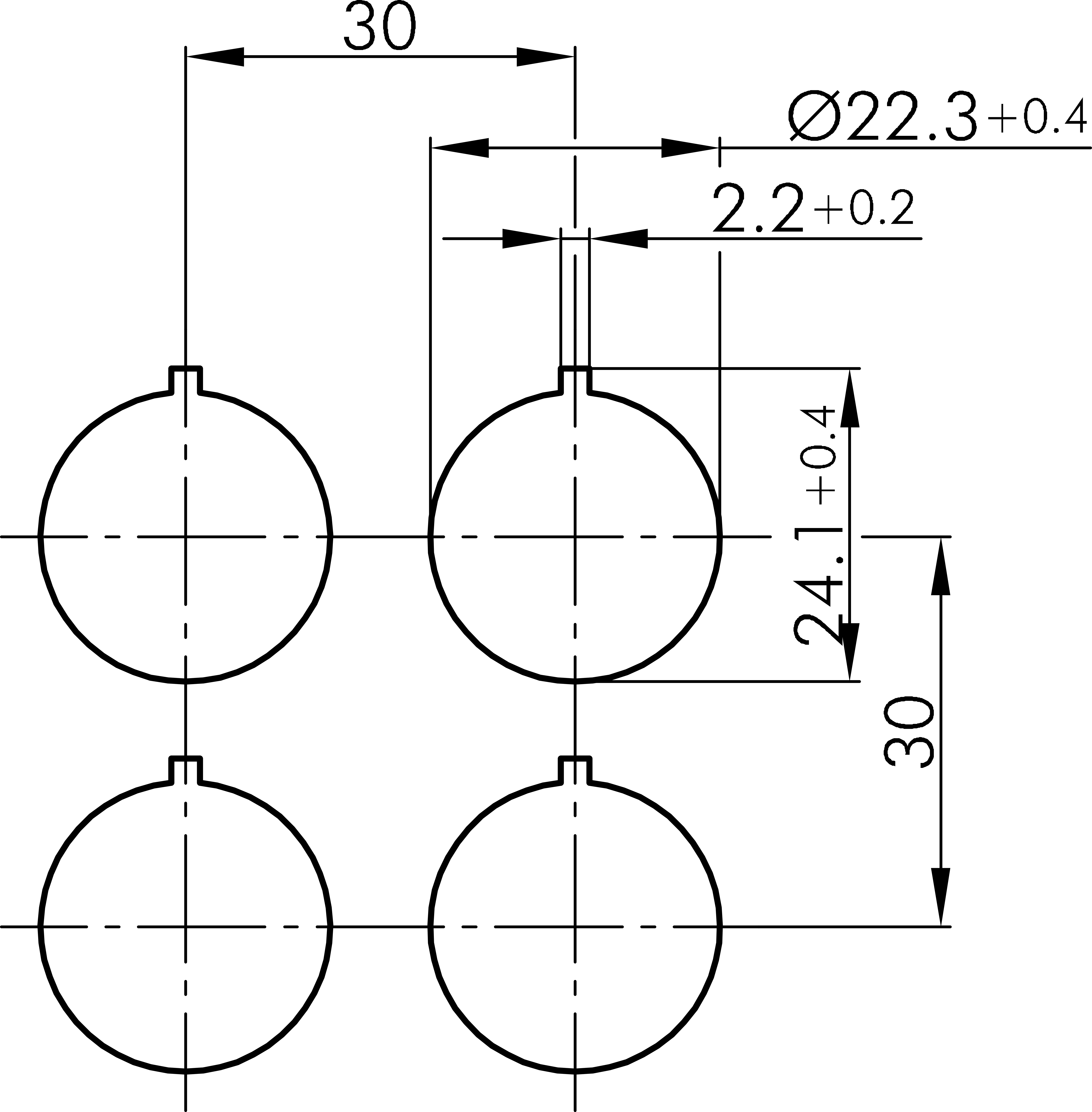
Einbauöffnung
Ø 22,3 mm
Kontaktart
2NO
Schaltfunktion
Tast- und Rastfunktion
Schaltstellung
-60° rastend
0° Nullstellung
40° tastend
Anschluss
Flachstecker
Beleuchtung
Nein
Farbe Frontrahmen
Edelstahl
Bauform
rund
Schutzart Vorne
IP65
Betriebstemperatur
-25°C ... 70°C
Bemessungsbetriebsspannung IEC/EN 60947-5-1
120 V AC
240 V AC
24 V DC
60 V DC
125 V DC
250 V DC
Bemessungsbetriebsstrom IEC/EN 60947-5-1
3 A AC
1,5 A AC
2 A DC
1 A DC
0,55 A DC
0,27 A DC
Mechanische Lebensdauer
30.000 Schaltspiele
Elektrische Lebensdauer
30.000 Schaltspiele bei Nennlast
Approbationen
VDE, CCC, cURus, DNV, ENEC10, CE, UKCA
Technische Skizzen
Maßskizze SVAWCII
Bohrbild SVAWCII
Schaltbild SVAWCII
Schaltstellungsanzeige SVAWCII
Schaltwegediagramm SVAWCII
Produktbild SVAWCII
Dokumente
Icon E-Mail Icon Telefon