
Pushbuttons of the series mYnitron®
Product information
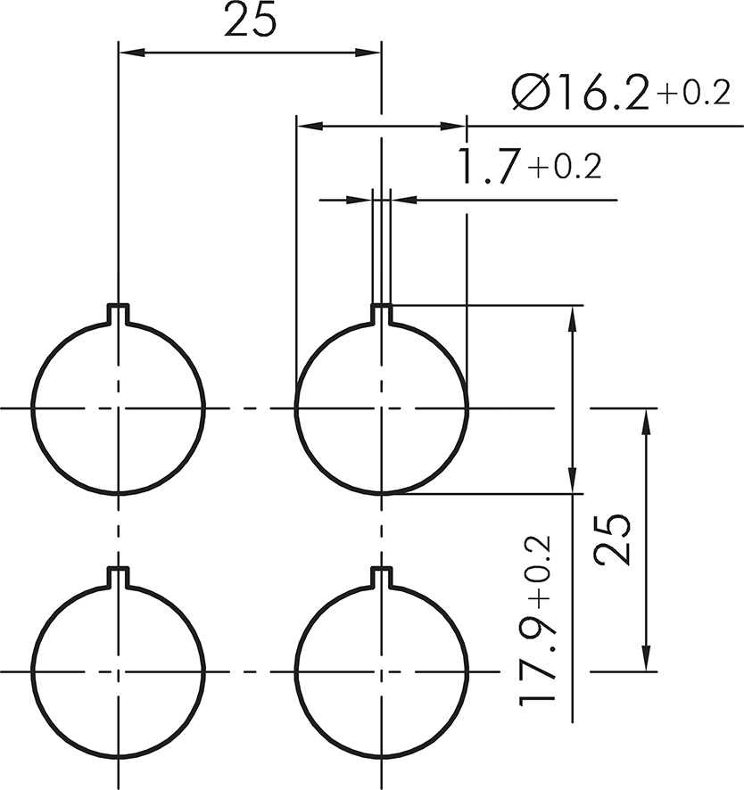
Sketches
Mounting depth dimensions
Product configurator
Back
Front dimension | Ø 23,5 mm |
---|---|
Panel cut-out | Ø 16,2 mm |
Front bezel height | 4 mm |
Degree of protection* | IP65/IP67 IP65/IP67/IP69K (Emergency-stop) |
Front bezel colours |
![]() ![]() |
* individual degree of protection, depending on the respective type


** maximum voltage or current values, depending on the type they may also be lower, e.g. for gold-plated contacts or depending on the number of connections