
Melde- und Befehlsgeräte der Baureihe OKTRON®
Produktinformationen
Skizzen
Einbautiefenmaße
Konfigurator öffnen
Zurück
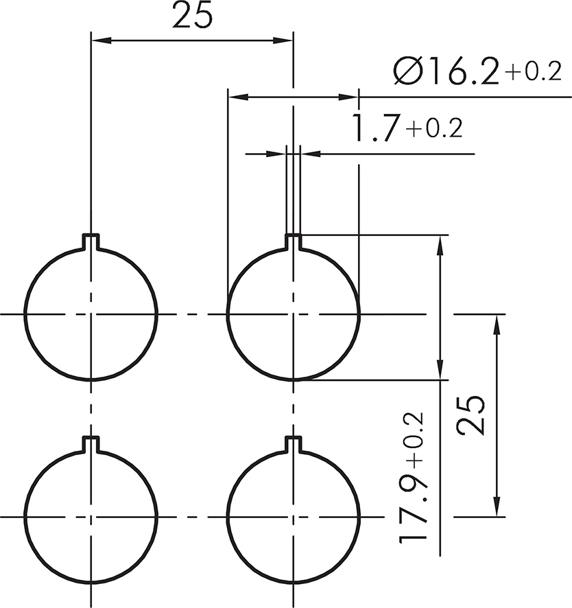
Frontabmessung | 25 x 25 mm |
---|---|
Einbauöffnung | Ø 16,2 mm |
Frontrahmenhöhe | 7,5 mm |
Hub | 3 mm |
Schutzart* | IP65 IP65/IP67 (Not-Halt) |
Frontfarben |
![]() ![]() |
* mögliche Schutzarten, abhängig vom jeweiligen Artikel


** Maximale Spannungs- oder Stromangaben, diese können je nach Artikel auch geringer ausfallen, z.B. bei Goldkontakten oder Anzahl Anschlüsse