Zum Hauptinhalt springen Zur Suche springen Zur Hauptnavigation springen
Not-Halt-Taster, Drucktasten, Schlüsselschalter und Wahlschalter auf einer schwarz-spiegelnden Oberfläche. Manche Taster liegen, andere stehen.

OKTRON®-R – die Nachfolge der Baureihe OKTRON®

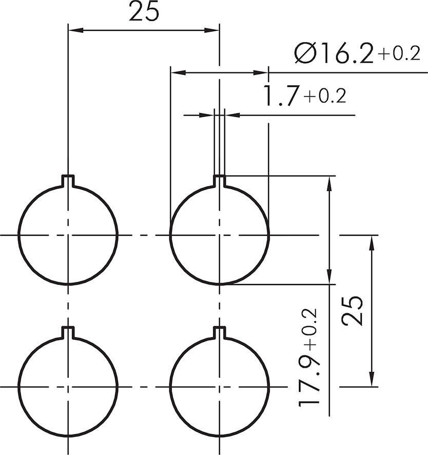
Produktinformationen Skizzen Einbautiefenmaße
Frontabmessung Ø 25 mm
Einbauöffnung Ø 16,2 mm
Frontrahmenhöhe 7 mm
Hub 3 mm
Schutzart* IP65
IP65/IP67 (Not-Halt)
Frontfarben

* mögliche Schutzarten, abhängig vom jeweiligen Artikel

Eine Skizze mit vier Kreisen und verschiedenen Maßen.
Einbautiefenmasse Oktron-R

** Maximale Spannungs- oder Stromangaben, diese können je nach Artikel auch geringer ausfallen, z.B. bei Goldkontakten oder Anzahl Anschlüsse

Konfigurator öffnen Zurück
Icon E-Mail Icon Telefon