
RX-JUWEL Drucktaster von SCHLEGEL
Produktinformationen
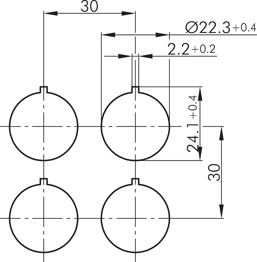
Skizzen
Einbautiefenmaße
Konfigurator öffnen
Zurück
Frontabmessung | Ø 28 mm |
---|---|
Einbauöffnung | Ø 22,3 mm |
Frontrahmenhöhe | 2,6 mm |
Hub | 6 mm |
Schutzart* | IP65/IP67 |
Frontfarben |
![]() |
* mögliche Schutzarten, abhängig vom jeweiligen Artikel


** Maximale Spannungs- oder Stromangaben, diese können je nach Artikel auch geringer ausfallen, z.B. bei Goldkontakten oder Anzahl Anschlüsse