Passer au contenu principal Passer à la recherche Passer à la navigation principale
données techniques
Images des produits
Téléchargements

RKSSA16 - Tête de commande à clé, fonction maintenue

Série
OKTRON®-R
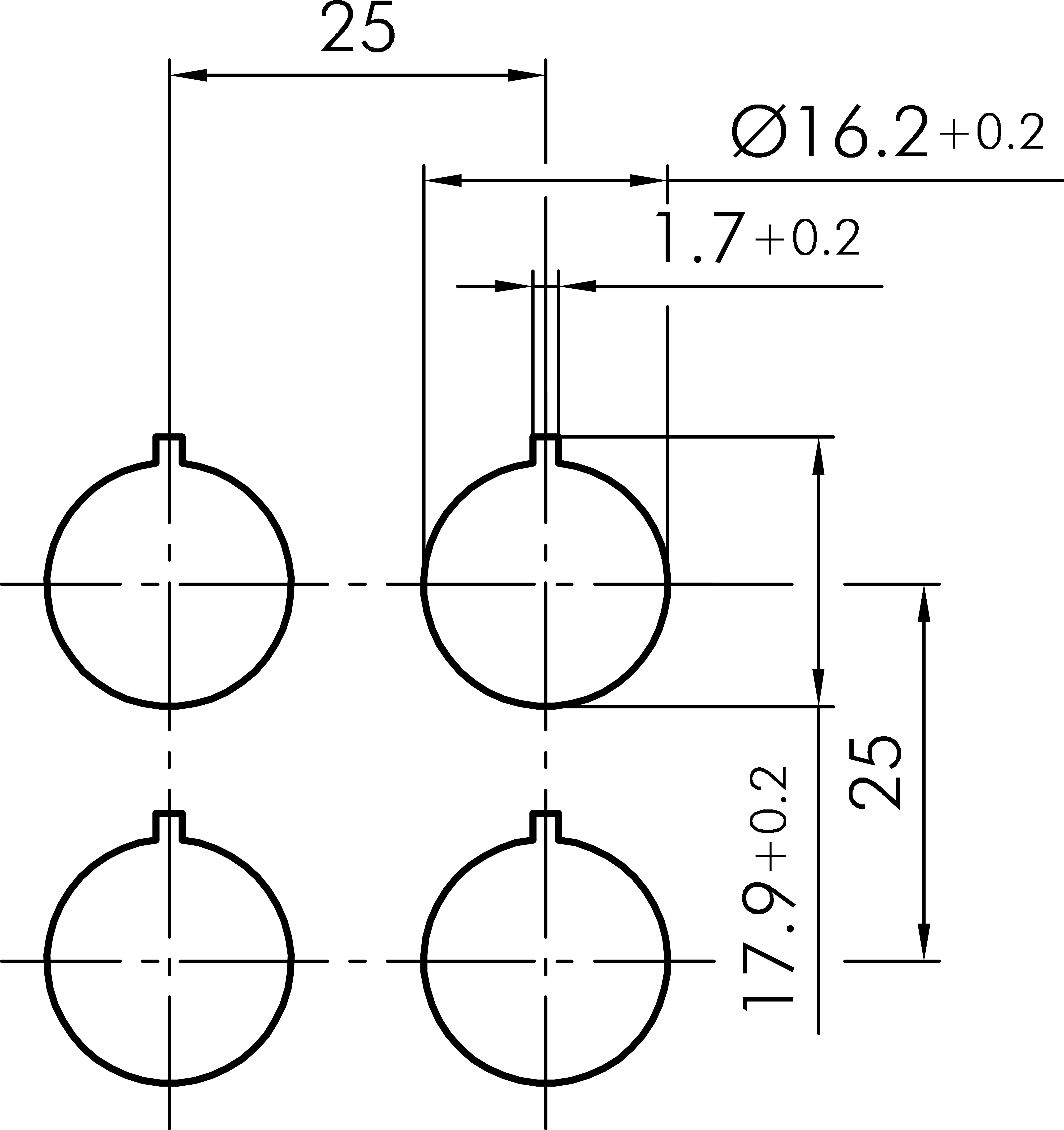
Découpe de montage
Ø 16,2 mm
Position de commutation
0° position zéro
90° fonction maintenue, retrait de la clé
Éclairage
Non
Couleur du cadre frontal
Anthracite
Forme
rond
Type de protection avant
IP65
Classe de protection
II (isolation de protection)
Croquis techniques
Maßskizze RKSSA16
Bohrbild RKSSA16
Schaltstellungsanzeige RKSSA16
Produktbild RKSSA16
Icon E-Mail Icon Telefon